Waypoint Painted Glaze - MS CLASSIC 300

Waypoint Painted Glaze - MS CLASSIC 300

In StockSKU#: PG5-MS CLASSIC 300
Modifications:
$340.20$486.00
QTY
  • Description

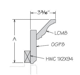
    Waypoint Painted Glaze - Classic Molding Stacks